| |
|
| |
 |
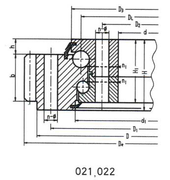
雙排球式回轉支承(02系列) |
|
序
號
|
型號
|
外型尺寸mm
|
安裝孔尺寸
|
結構尺寸
|
齒輪參數
|
外齒參數
|
內齒參數
|
質量
kg
|
|
無齒式
DL
mm
|
外齒式
DL
mm
|
內齒式
DL
mm
|
D
|
d
|
H
|
D1
mm
|
D2
mm
|
dn1
dn2
mm
|
dm1
dm2
mm
|
L
mm
|
n
|
n1
|
H1
|
h
|
b
mm
|
m
mm
|
da
mm
|
Z
|
da
mm
|
Z
|
|
1
|
020.25.500
|
021.25.500
|
023.25.500
|
616
|
384
|
106
|
580
|
420
|
18
|
M16
|
|
20
|
4
|
96
|
26
|
60
|
5
|
644
|
126
|
357
|
72
|
100
|
|
022.25.500
|
024.25.500
|
6
|
646.8
|
105
|
350 .4
|
59
|
|
2
|
020.25.560
|
021.25.560
|
023.25.560
|
676
|
444
|
640
|
480
|
5
|
704
|
138
|
417
|
84
|
115
|
|
022.25.560
|
024.25.560
|
6
|
706.8
|
115
|
410.4
|
69
|
|
3
|
020.25.630
|
021.25.630
|
023.25.630
|
746
|
514
|
710
|
550
|
24
|
6
|
790.8
|
129
|
482.4
|
81
|
130
|
|
022.25.630
|
024.25.630
|
8
|
790.4
|
96
|
475.2
|
60
|
|
4
|
020.25.710
|
021.25.710
|
023.25.710
|
826
|
594
|
790
|
630
|
6
|
862.8
|
141
|
560.4
|
94
|
140
|
|
022.25.710
|
024.25.710
|
8
|
862.4
|
105
|
555.2
|
70
|
|
5
|
020.30.800
|
021.30.800
|
023.30.800
|
942
|
658
|
124
|
898
|
702
|
22
|
M20
|
|
30
|
6
|
114
|
29
|
80
|
8
|
982.4
|
120
|
619.2
|
78
|
200
|
|
022.30.800
|
024.30.800
|
10
|
988
|
96
|
614
|
62
|
|
6
|
020.30.900
|
021.30.900
|
023.30.900
|
1042
|
758
|
998
|
802
|
8
|
1086 .4
|
133
|
715.2
|
90
|
250
|
|
022.30.900
|
024.30.900
|
10
|
1088
|
106
|
714
|
72
|
|
7
|
020.30.1000
|
021.30.1000
|
023.30.1000
|
1142
|
858
|
1098
|
902
|
36
|
10
|
1198
|
117
|
814
|
82
|
300
|
|
022.30.1000
|
024.30.1000
|
12
|
1197.6
|
97
|
796.8
|
67
|
|
8
|
020.30.1120
|
021.30.1120
|
023.30.1120
|
1262
|
978
|
1218
|
1022
|
10
|
1318
|
129
|
924
|
93
|
340
|
|
022.30.1120
|
024.30.1120
|
12
|
1317.6
|
107
|
916.8
|
77
|
|
9
|
020.40.1250
|
021.40.1250
|
023.40.1250
|
1426
|
1074
|
160
|
1374
|
1126
|
26
|
M24
|
|
40
|
5
|
150
|
39
|
90
|
12
|
1497.6
|
122
|
1012.8
|
85
|
580
|
|
022.40.1250
|
024.40.1250
|
14
|
1495.2
|
104
|
1013.6
|
73
|
|
10
|
020.40.1400
|
021.40.1400
|
023.40.1400
|
1576
|
1224
|
1524
|
1272
|
12
|
1641.6
|
134
|
1156.8
|
97
|
650
|
|
022.40.1400
|
024.40.1400
|
14
|
1649.2
|
115
|
1153.6
|
83
|
|
11
|
020.40.1600
|
021.40.1600
|
023.40.1600
|
1776
|
1424
|
1724
|
1476
|
45
|
14
|
1845.2
|
129
|
1349.6
|
97
|
750
|
|
022.40.1600
|
024.40.1600
|
16
|
1852.8
|
113
|
1350.4
|
85
|
|
12
|
020.40.1800
|
021.40.1800
|
023.40.1800
|
1976
|
1624
|
1924
|
1676
|
14
|
2055.2
|
144
|
1545.6
|
111
|
820
|
|
022.40.1800
|
024.40.1800
|
16
|
2060.8
|
126
|
1542.4
|
97
|
|
13
|
020.50.2000
|
021.50.2000
|
023.50.2000
|
2215
|
1785
|
190
|
2149
|
1851
|
33
|
M30
|
|
48
|
8
|
178
|
47
|
120
|
16
|
2300.8
|
141
|
1702.4
|
107
|
1150
|
|
022.50.2000
|
024.50.2000
|
18
|
2300.4
|
125
|
1699.2
|
95
|
|
14
|
020.50.2240
|
021.50.2240
|
023.50.2240
|
2455
|
2025
|
2389
|
2091
|
16
|
2540.8
|
156
|
1942.4
|
122
|
1500
|
|
022.50.2240
|
024.50.2240
|
18
|
2552.4
|
139
|
1933.2
|
108
|
|
15
|
020.50.2500
|
021.50.2500
|
023.50.2500
|
2715
|
2285
|
2649
|
2351
|
56
|
18
|
2804.4
|
153
|
2203.2
|
123
|
1700
|
|
022.50.2500
|
024.50.2500
|
20
|
2816
|
138
|
2188
|
110
|
|
16
|
020.50.2800
|
021.50.2800
|
023.50.2800
|
3015
|
2585
|
2949
|
2651
|
18
|
3110.4
|
170
|
2491.2
|
139
|
1900
|
|
022.50.2800
|
024.50.2800
|
20
|
3116
|
153
|
2488
|
125
|
|